
dn100電磁流量計
- 品*:JKM/凱銘儀表
- 型號:JKM-LDE
- 測量范圍:0.028~205258m3/h
- 精度等級:0.5級、1.0級
- 公稱通徑:DN10~DN2200
- 適用介質:污水、導電液體
- 工作壓力:1.6~6.3MPa
- 工作溫度:-20~+200℃
- 供電方式:220V 24V 鋰電池
- 訂貨號:AGH303685HOU
dn100電磁流量計概述
電磁流量計為了提高程序的可讀性,系統的軟件設計采用了結構化和模塊化的設計思想,整個系統程序包括主程序模塊、初始化子程序、定時器中斷子程序和A/D 中斷子程序等組成。系統總的軟件程序流程框圖。系統總的程序流程圖在系統總的程序流程圖中,系統上電以后,程序開始以后,為了使單片機正常運行,*先必須對單片機系統進行初始化,主要包括看門狗定時器的設置,系統時鐘的設置,端口I/O初始化,UART串口初始化(包括串口的工作方式和波特率的設置),定時器0、2和3的初始化,單片機內部集成的12 位ADC0的初始化,以及模擬開關工作狀態的初始化。程序通過控制模擬開關來控制反饋電壓的開關和極性。
dn100電磁流量計工作原理
傳感器是根據法拉*電磁感應定律工作的,如工作原理圖所示:
當導電液體沿測量管在交變磁場與磁力線成垂直方向運動時,導電液體切割磁力線產生感應電勢。在與測量管軸線和磁力線相互垂直的管壁上安裝了一對檢測電極,將這個感應電勢檢出。
則有:
E=BVD
式中:E-感應電勢;
B-磁感應強度;
D-電極間的距離,與測量管內徑相等;
V-測量管內被測流體的平均流速。
式(1)中磁場B是恒定不變的,D為一常數,則感應電動勢E與被測流體的平均流速V成正比。通過測量管橫截面上的瞬時體積流量Q與流速V之間的關系為:
![]() 污水型電磁流量計/Φ100mm | ![]() 自流型電磁流量計/Φ100mm | ![]() 防腐型電磁流量計/Φ150mm |
|
優點: 1、雜物、纖維不影響測量 2、四氟耐腐蝕內襯 3、抗菌防粘型電極 4、正反計量累計流量 5、智能自我疹斷功能 |
優點: 1、磁場強度增加5倍 2、擅長測量超低流速流量 3、輸入阻抗高達15兆歐姆 4、內置大型磁鋼 5、大電流勵磁 |
優點: 1、四電極機構安全接地 2、哈氏C合金電極 3、四氟內襯耐強酸強堿 4、不銹鋼外殼延長壽命 5、密度換算功能,輕易算質量 |
![]() 潛水型電磁流量計/Φ200mm | ![]() 高溫型電磁流量計/Φ300mm | ![]() 小口徑電磁流量計/Φ10mm |
|
優點: 1、桔紅潛水漆包用10年 2、防護等級:IP68 3、全密封灌膠工藝,點滴不漏 |
優點: 1、耐高溫達200度 2、選用高溫漆包線圈 3、采用網骨架內襯 |
優點: 1、*小流量可測到20.0L/h 2、耐高壓的外插式電極 3、反應靈敏,零點穩定 |
dn100電磁流量計特點
1、管道內無可動部件,無阻流部件,測量中幾乎沒有附加壓力損失。
2、測量結果與流速分布、流體壓力、溫度、密度、粘度等物理參數無關。
3、在現場可根據用戶實際需要在線修改量程。
4、高清晰度背光LCD顯示,全中文菜單操作,使用方便,操作簡單,易學易懂。
5、電磁流量計采用SMD器件和表面貼裝(SMT),電路可靠性高。
6、采用16位嵌入式微處理器,運算速度快,精度高,可編程頻率低頻矩形波勵磁,提高了流量測量的穩定性,功耗低。
7、全數字量處理,抗干擾能力強,測量可靠,精度高,流量測量范圍可達150:1。
8、超低EMI開關電源,使用電源電壓變化范圍大,抗EMC好
9、內部具有三個積算器,可分別顯示正向累計量、反向累計量及差值積算量,內部設有不掉電時鐘,可記錄16次掉電時間(選配)。
10、具有RS485、RS232、Hart和Modbus等數字通訊信號輸出(選配)。
11、具有自檢與自論斷功能。
12、紅外手持操作器,115KHZ通訊速率,遠距離非接觸操作轉換器所有功能(選配)。
13、小時總量記錄功能,以小時為單位記錄流量總量,適用于分時計量制(選配)。
dn100電磁流量計選型
正確地選用電磁流量計是保證用好電磁流量計的前提條件。選用什么種類的電磁流量計應根據被測流體介質的物理性質和化學性質來決定,使電磁流量計的通徑、流量范圍、襯里材料、電極材料和輸出電流等,都能適應被測流體的性質和流量的要求。 
dn100電磁流量計可測量的流體常見介質電導率表
| 液 體 | 電導率(μs/cm) |
| 各 種 酸 | 10×104~801×104 |
| 堿 液 | 8×104 ~30×104 |
| 蒸 餾 水 | 0.01~5 |
| 水及飲料 | 200~800 |
| 啤 酒 | 600~800 |
| 麥 芽 汁 | 500~1000 |
| 牛 奶 | 200~300 |
| 水 果 醬 | 400~1000 |
由電磁流量計的工作原理可知,能選用電磁流量計測量流量的流體必須是導電的,嚴格的說,除了高溫流體之外,只要電導率大于5μ/cm的任何流體都可以選用相應的電磁流量計來測量流量,因此不導電的氣體、蒸汽、油類、丙酮等物質不能選用電磁流量計來測量流量。
傳感器口徑的確定
流量計使用流速*好在0.1~15m/s范圍內,此時流量計口徑可選擇與用戶管道口徑一致。當流速低于0.1m/s時,應采用縮管方式提高流速。
一體型或分離型的選擇
一體型:現場環境較好的情況下,一般都選用一體型,即傳感器和轉換器組裝成一體。
分離型:即傳感器和轉換器分開裝于不同的地點,一般出現以下情況時選用分離型:
⑴ 環境溫度或流量計轉換器表面受輻射溫度超過60oC.
⑵ 管道震動較大的場合。
⑶ 會對傳感器的鋁殼嚴重腐蝕的場合。
⑷ 現場溫度較高或有腐蝕性氣體的場合。
⑸ 流量計裝在高空或井下等調試不方便的場合。
訂貨時應注明傳感器和轉換器之間的距離,一般不能超過100m,轉換器為墻掛式安裝。
dn100電磁流量計電極、接地環材料的選擇
應根據被測流體的腐蝕性來選擇電極的材料,請查有關腐蝕手冊,對于特殊流體應作試驗。
| 材 料 | 耐 腐 蝕 性 能 |
|
含鉬不銹鋼 (OCr18Ni12Mo2Ti) | 硝酸、溫室下<5%硫酸、沸騰的磷酸、蟻酸、堿溶液、在一定壓力下的亞硫酸、海水、醋酸 |
|
哈氏合金C 哈氏合金B (HC HB) | 耐氧化性酸、氧化性鹽、耐海水、耐非氧化性酸、非氧化性鹽、堿、常溫硫酸 |
| 鈦(Ti) | 海水、各種氯化物和次氯酸鹽、氯化性酸(包括發煙硝酸)、有機酸、堿 |
| 鉭(Ta) | 除氫氟酸、發煙硫酸、堿外的其余化學介質、包括沸點的鹽酸。硝酸和<175oC硫酸 |
| 鉑(Pt) | 各種酸、堿、鹽不包括王水 |
dn100電磁流量計襯里材料選擇說明
應根據被測介質的腐蝕性、磨損性和溫度來選擇內襯材料。
| 內襯材料 | 名 稱 | 符 號 | 性 能 | *高工作溫度 | 適 用 液 體 |
| 橡 膠 | 氯丁橡膠 | 耐磨性中等,耐一般低濃度的酸堿鹽的腐蝕 | <80℃ | 自來水、工業用水、海水 | |
| 聚胺脂橡膠 | 極好的耐磨性能,耐酸堿性能較差 | <60℃ | 紙漿、礦漿等漿液 | ||
| 氟 塑 料 | 聚四氟乙烯 | F4或PTFE | 化學性能很穩定,耐沸騰的鹽酸、硫酸、王水、濃堿的腐蝕 | <180℃ | 腐蝕性強的酸堿鹽液體 |
| 四氟乙烯和六氟丙烯譯名:特氟隆FEP | F46或FEP | 化學性能略遜于F4 | 腐蝕性的酸堿鹽液體 | ||
| 塑 料 | 四氟乙烯和乙烯 | F4或ETFE | 化學性能略遜于F4 | 腐蝕性的酸堿鹽液體 | |
| 聚乙烯 | PO | 化學性能穩定 | <60℃ | 污水 | |
| 聚苯硫醚 | PPS | <150℃ | 熱水 |
dn100電磁流量計流量范圍的選擇
*大流量和*小流量必須符合下表中的數據。
| 內徑(mm) | 10 | 15 | 20 | 25 | 32 | 40 | 50 | 65 |
|
Qmin(m3/h) Qmax(m3/h) |
0.0283 4.24 |
0.0636 9.54 |
0.12 16.96 |
0.176 26.5 |
0.29 43.42 |
0.452 67.85 |
0.7 106.0 |
1.19 179.0 |
| 內徑(mm) | 80 | 100 | 125 | 150 | 200 | 250 | 300 | 350 |
|
Qmin(m3/h) Qmax(m3/h) |
1.8 271.0 |
2.28 424.0 |
4.41 662.0 |
6.36 954.0 |
11.3 1690 |
17.6 2650 |
25.4 3810 |
34.6 5190 |
| 內徑(mm) | 400 | 450 | 500 | 550 | 600 | 700 | 800 | 900 |
|
Qmin(m3/h) Qmax(m3/h) |
45.2 6780 |
57.2 8570 |
77.6 10600 |
85.8 12800 |
101.0 15200 |
138.0 20700 |
180.0 27100 |
229.0 34300 |
| 內徑(mm) | 1000 | 1100 | 1200 | 1400 | 1600 | 1800 | 2000 | 2200 |
|
Qmin(m3/h) Qmax(m3/h) |
282.0 42400 |
342.0 51300 |
407.0 61000 |
554.1 83121 |
732.7 108566 |
916.0 137404 |
1131.0 169635 |
1368.4 205258 |
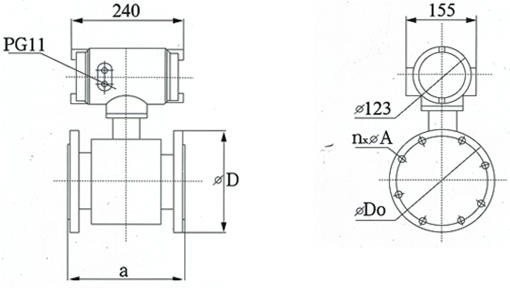
dn100電磁流量計安裝
電磁流量計的外型尺寸如下圖、表。
| DN | a | D | Do | nⅹA | DN | a | D | Do | nⅹA |
| 10 | 230 | 90 | 60 | 4ⅹ14 | 350 | 460 | 505 | 460 | 16ⅹ22 |
| 15 | 230 | 95 | 65 | 4ⅹ14 | 400 | 460 | 565 | 515 | 16ⅹ26 |
| 20 | 230 | 105 | 75 | 4ⅹ14 | 450 | 460 | 615 | 565 | 20ⅹ26 |
| 25 | 230 | 115 | 85 | 4ⅹ14 | 500 | 600 | 670 | 620 | 20ⅹ26 |
| 32 | 230 | 140 | 100 | 4ⅹ18 | 600 | 600 | 780 | 725 | 20ⅹ30 |
| 40 | 230 | 150 | 110 | 4ⅹ18 | 700 | 700 | 895 | 840 | 24ⅹ30 |
| 50 | 230 | 165 | 125 | 4ⅹ18 | 800 | 800 | 1015 | 950 | 24ⅹ33 |
| 65 | 230 | 185 | 145 | 4ⅹ18 | 900 | 900 | 1115 | 1050 | 28ⅹ33 |
| 80 | 230 | 200 | 160 | 8ⅹ18 | 1000 | 1000 | 1230 | 1160 | 28ⅹ36 |
| 100 | 230 | 220 | 180 | 8ⅹ18 | 1200 | 1200 | 1405 | 1340 | 32ⅹ33 |
| 125 | 280 | 250 | 210 | 8ⅹ18 | 1400 | 1400 | 1630 | 1560 | 36ⅹ36 |
| 150 | 280 | 285 | 240 | 8ⅹ22 | 1600 | 1600 | 1830 | 1760 | 40ⅹ36 |
| 200 | 310 | 340 | 295 | 8ⅹ22 | 1800 | 1800 | 2045 | 1970 | 44ⅹ39 |
| 250 | 360 | 395 | 350 | 12ⅹ22 | 2000 | 2000 | 2265 | 2180 | 48ⅹ42 |
| 300 | 460 | 445 | 400 | 12ⅹ22 | 2200 | 2200 | 2405 | 2315 | 52ⅹ45 |
方型轉換器外觀及安裝尺寸如圖
dn100電磁流量計選型
| 型 號 | 口 徑 |
| KM-LDE | 25~2600 |
| B1 | 316L |
| B2 | HB |
| B3 | HC |
| B4 | 鈦 |
| B5 | 鉭 |
| B6 | 鉑合金 |
| B7 | 不銹鋼涂覆碳化鎢 |
| 代號 | 內襯材料 |
| C1 | 聚四氟乙烯F4 |
| C2 | 聚全氟乙丙烯F46 |
| C3 | 聚氟合乙烯FS |
| C4 | 聚錄丁橡膠 |
| C5 | 聚氨脂橡膠 |
| 代號 | 功能 |
| E1 | 0.3級 |
| E2 | 0.5級 |
| E3 | 1級 |
| F1 | 4-20mA 負載≤750Ω |
| F2 | 0-3khz5v有源,可變脈寬,輸出高端有效頻率 |
| F3 | RS485接口 |
| T1 | 常溫型 |
| T2 | 高溫型 |
| T3 | 超高溫型 |
| P1 | 1.0MPa |
| P2 | 1.6MPa |
| P3 | 4.0MPa |
| P4 | 16MPa |
| D1 | 220VAC±10% |
| D2 | 24VDC±10% |
| 1 | 一體型結構 |
| 2 | 分體型結構 |
| 3 | 防爆型一體結構 |
上一篇:JKM-LDE防爆電磁流量計
下一篇:JKM-LDE不銹鋼電磁流量計








