
原油流量計
- 品*:JKM/凱銘儀表
- 型號:JKM-LWGY
- 測量范圍:0.04~800m3/h
- 精度等級:0.5級、1.0級
- 公稱通徑:DN4~DN200
- 適用介質:水 油 醇 純凈液體
- 工作壓力:1.6~6.3MPa
- 工作溫度:-20~+100℃
- 供電方式:24VDC 3.6V鋰電池
- 訂貨號:ISVWWLMVT105
原油流量計產品概述
渦輪流量計采用渦輪進行測量。它先將流速轉換為渦輪的轉速,再將轉速轉換成與流量成正比的電信號。這種流量計用于檢測瞬時流量和總的積算流量,其輸出信號為頻率,易于數字化。圖中感應線圈和永久磁鐵一起固定在殼體上。當鐵磁性渦輪葉片經過磁鐵時,磁路的磁阻發生變化,從而產生感應信號。信號經放大器放大和整形,送到計數器或頻率計,顯示總的積算流量。同時將脈沖頻率經過頻率-電壓轉換以指示瞬時流量。葉輪的轉速正比于流量,葉輪的轉數正比于流過的總量。渦輪流量計的輸出是頻率調制式信號,不僅提高了檢測電路的抗干擾性,而且簡化了流量檢測系統。它的量程比可達10:1,精度在±0.2%以內。慣性小而且尺寸小的渦輪流量計的時間常數可達0.01秒。
智能渦輪流量計廣泛應用于石油、有機液體、無機液、液化氣、天然氣和低溫流體等。

原油流量計產品特點
1、壓力損失小,葉輪具有防腐功能;
2、采用先進的超低功耗單片微機技術,整機功能強、功耗低、性能優越;
3、具有非線性精度補償功能的智能流量顯示器。修正公式精度優于±0.02%;
4、儀表系數可由按鍵在線設置,并可顯示在LCD屏上,LCD屏直觀清晰,可靠性強;
5、采用EEPROM對累積流量、儀表系數掉電保護,保護時間大于10年;
6、采用高性能MCU中央處理器,完成數據采集處理顯示輸出、累積流量瞬時流量同屏顯示方便的人機界面實現, 以標準485形式進行數據傳輸;
7、采用全硬質合金(碳化鎢)屏蔽式懸臂梁結構軸承,集轉動軸承與壓力軸承于一體,大大提高了軸承壽命,并可在有少量泥沙與污物的介質中工作;
8、采用1Cr18Ni9Ti全不銹鋼結構,(渦輪采用2Cr13)防腐性能好;
9、容易維修,有自整流的結構,小型輕巧,結構簡單,可在短時間內將其組合拆開,內部清洗簡單;
10、有較強抗磁干擾和振動能力、性能可靠、壽命長;
11、下限流速低,測量范圍寬;
12、現場顯示型液晶屏顯示清晰直觀,功耗低,3V鋰電池供電可連續運行5年以上;
13、耐腐蝕,適用于酸堿溶液;
原油流量計基本參數
1、公稱口徑:管道式:DN4~DN200
2、插入式:DN100~DN2000
3、精度等級:管道式:±0.5級,±1.0級
4、插入式:±1.5級、±2.5級
5、環境溫度:-20℃~50℃
6、介質溫度:測量液體:-20℃~120℃
7、測量氣體:-20℃~80℃
8、大氣壓力:86KPa~106KPa
9、公稱壓力:1.6 Mpa 、2.5Mpa 、6.4Mpa 、25Mpa
10、防爆等級:ExdIIBT4
11、連接方式:螺紋連接、法蘭夾裝、法蘭連接、插入式等
12、直管段要求:氣體:上游直管段應≥10DN,下游直管段應≥5DN;液體:上游直管段應≥20DN,下游直管段應≥5DN;插入式:上游直管段應≥20DS,下游直管段應≥7DS(DS為管道實測內徑)
13、顯示方式:(1)遠傳顯示: 脈沖輸出、電流輸出(配顯示儀表);(2)現場顯示:8位LCD顯示累積流量,單位(m3)4位LCD顯示瞬時流量,單位(m3/h)、電池電量、頻率、流速;(3)溫度壓力補償型:A、顯示標準瞬時流量及標準累計流量,B、顯示當前壓力、溫度、電池電壓
14、輸出功能:(1)脈沖輸出,p-p值由供電電源確定,(2)4~20mA兩線制電流輸出,(3)單位體積脈沖輸出及傳感器原始脈沖輸出,(4)帶有RS485通迅接口
15、供電電源:(1)DC5~24V,(2)標準型3V鋰電池安裝于儀表內部可連續使用八年以上,(3)溫壓補償型3V鋰電池安裝于儀表內部可連續使用四年以上
16、傳輸距離:傳感器至顯示儀距離可達500m

原油流量計流量范圍表

原油流量計安裝尺寸

原油流量計選型

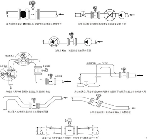
原油流量計的安裝
作為葉輪式流量計的主要品種,由傳感器和轉換顯示儀表組成,被廣泛應用于測量封閉管道中的液體(液體流量計),但液體必須是與不銹鋼、硬質合金不起腐蝕作用,且介質中沒有纖維以及顆粒等雜質。以下就來講講渦輪流量計的一些安裝方式注意點。
渦輪流量計的安裝有法蘭連接、螺紋連接及夾裝式三種方式。安裝時液體流動方向應與傳感器外殼上指示流向的箭頭方向一致,且上游直管段應大于等于20倍管徑,下游直管段大于等于5倍管徑。
渦輪流量計的傳感器應遠離外界磁場,如不能避免,應采取必要的措施。為了檢修時不至于影響液體的正常輸送,應在傳感器兩端的直管段外安裝旁通管道。傳感器露天安裝時,要做好防水處理。傳感器與顯示儀表的接線,應根據放大器的電源來選擇接線方式。
液體渦輪流量計可水平、垂直安裝,垂時流體方向必須向上。液體應充滿管道,不得有氣泡。安裝時,液體流動方向應與傳感器外殼上指示流向的箭頭方向一致。直管段內壁應光滑清潔,無凹痕、積垢和起皮等缺陷。
作為流量測量的一種理想儀表,在業界獲得了廣泛的應用,正確的安裝方式是保證儀表正常運作的前提條件,為日后的保養維修提供便利,也能讓儀表的壽命更長久。

下一篇:色拉油流量計|卡箍液體渦輪式


